Hitri kontakt

Firšt d.o.o.
03 898 35 00
03 898 35 35
info(at)first.si

Izdelki - KONTROLNIKI Sobni termostati, diferenčni termostati, regulatorji ogrevanja, oprema in pribor

ELTHERM TT6

Sobni termostati z LCD zaslonom, ki omogoča časovno programiran nadzor sobnih temperatur

FIRŠT ELTHERM TT6 so sobni termostati za radiator, konvektor ali ogrevanje ventilatorjev v domačih ali lahkih gospodarskih prostorih.

  • Enostavna uporaba in enostavna namestitev
  • Digitalni prikaz (čas, dan, temperatura, status programa)
  • Funkcija ogrevanja pri praznih baterijah
  • Ročne nastavitve temperature konstantnega ogrevanja

Nazaj na izdelke / REGULACIJA OGREVANJA

ELTHERM TT6, sobni termostat

Šifra TIP/MODEL Opis
20066 ELTHERM TT6 digitalni termostat s tedenskim časovnikom
Napajanje: 2x AA (LR6 - alkaline)
Izhod: Brez potencialnega releja SPDT
Izhodni rele: 16(10)A, 250VAC, 50Hz
Območje nastavitve temperature v prostoru: 5 - 35°C
Histereza termostata: +/-0,5K
Dimenzije: 138x86x24mm
Teža: 0,82kg
Trije načini delovanja:: - spodnja / noč - eko. temp.
- višja / dnevna - udobna temperatura.
- Tedenski programski časovnik za vsak dan (urna
nastavitev)

Delovanje:

Sobni termostat Eltherm TT6 je namenjen za ogrevanje radiatorjev, konvektorjev ali ventilatorjev v domačih ali lahkih gospodarskih prostorih. Uporablja se lahko tudi za kontrolo območja v velikih zgradbah.
Nadzor temperature temelji na merjenju sobne temperature.
Sobni termostat Eltherm TT6 z digitalnim zaslonom omogoča časovno programiran nadzor sobnih temperatur.

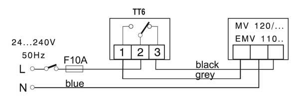
Električna priključitev:

ELTHERM-TT6

Primer namestitve:

ELTHERM-TT6



Sobni termostat ELTHERM TT6 je združljiv s pogoni serije EMV 110, S9000, UNI 3P, UNI D2P, ROTODIVERT in MV 120 pogonom.