EMV 110..serija 602/1590
2-potni elektromotorni krogelni ventil z baterijsko podporo delovanja |

|
EMV 110..1590-B se uporablja v sistemih, kjer ob izpadu električne napetosti, zapre dovod ali sprosti pretok. Lahko se uporablja, kot dodatni varovalni element v sistemih.
- Možnost ročnega opiranja/zapiranja krogelnega ventila
- Nastavitev položaja krogle ventila ob izpadu električne napetosti - odprto/zaprto
- Možnost zvočne signalizacije ob izpadu električne napetosti
- Baterijsko napajanje - 4x LR6-1.5V/AA Duracell-alkalne (baterije so vstavljene v pogonu)
- Dolga življenska doba in zanesljivost delovanja
- Priključki: obojestranski notranji navoj
- Dimenzije: 3/4" - 1"1/4
|
KARAKTERISTIKE |
| Napajalna napetost |
230V, 50Hz, 0.5W |
| Priključni kabel |
dolžina: 1.5m, z vtikačem |
| Možnost ročnega krmiljenja |
z zasukom pogona |
| Indikator položaja |
na nosilcu ventila dodatno kazalo na pokrovu |
| Temperatura okolice |
0°C do 55°C |
| Baterije: |
Baterijsko napajanje 4x LR6-1.5V/AA (DURACEL MN1500-alkalne) |
| Življenska doba baterij: |
cca 2 leti |
| Čas odpiranja/zapiranja: |
25s/90° |
| Ambient: |
0°C..55°C, 5..90% relativna vlažnost |
| Stopnja zaščite pogona |
IP 55 |
| Razred zaščite: |
1 DIN VDE 0700-T1/EN 60335-1 |
| Tip ventila |
Prehodni krogelni ventil, polni presek |
| Priključki |
obojestranski notranji navoj |
| Telo ventila |
medenina, nikljana |
| Krogla ventila |
medenina, trdo kromena |
| Tesnila vratu |
VITON, EPDM 2x, PTFE |
| Tesnilo krogle |
PTFE |
| Medij |
voda, neagresivni mediji,... |
| Temperatura medija |
0°C do 110°C |
| Max. tlak |
16 bar |
|
DELOVANJE |
Ko pogon priključite na električno napetost se postavi v osnovno položaj - zaprto (tovarniška nastavitev).
Ob izpadu električne napetosti se, s pomočjo baterijskega napajanja, odpre ventil.
Pogon ima tudi izhod, katerega lahko uporabite za zvočno signalizacijo ob izpadu električne napetosti (piskač 4-7VDC - uporablja baterijsko napajanje). Vendar se s tem skrajša življenska doba baterij).
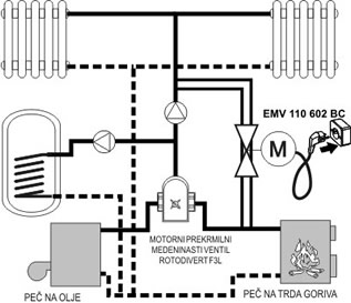
| 1. Ob izpadu elektrike odpre vod mimo vseh regulacijskih elementov. |
2. Ob izpadu elektrike zapre povratni vod in s tem prepreči pregrevanje izmenjevalca. |

Inštalacija mora biti ustrezno izvedena, da omogoča termosifonsko kroženje vode v sistemu. |
 |
|
DIMENZIJE |
 |
| DN |
H |
L |
| 20 - 3/4" |
152 |
57 |
| 25 - 1" |
163 |
68 |
| 32 - 1 1/4" |
173 |
81 |
|
| TIP |
DN |
Kvs |
Kg |
PN (BAR) |
ŠIFRA |
| 602/1590-B-3 |
20 - 3/4" |
41 |
1,1 |
16 |
10447 |
| 602/1590-B-4 |
25 - 1" |
68 |
1,3 |
16 |
10448 |
| 602/1590-B-5 |
32 - 1 1/4" |
123 |
1,5 |
16 |
10449 |
|
Navodila za uporabo :
EMV 110 602-1590 (1.5MB).

|